Skip to main content

Have questions? Ask our friendly staff!

  • 100% employee owned

    We take pride in how we talk to our customers.

  • Over 15,000 parts

    We have an impressive catalog to fit your need.

  • Build to order

    We offer trucks for your specific needs.

  • Friendly staff

    Our staff is happy to help you find what you need.

(5CA840) O-Ring Multiple Locations

(No reviews yet) Write a Review
$5.49
SKU:
5331-00-939-0687
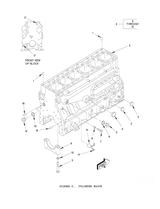
Diagram 5:
Item 13 In Diagram
Diagram 16:
Item 11 In Diagram
Diagram 19:
Item 4 In Diagram
Adding to cart… The item has been added
SKU:
5331-00-939-0687
Diagram 5:
Item 13 In Diagram
Diagram 16:
Item 11 In Diagram
Diagram 19:
Item 4 In Diagram

Have questions? Ask our friendly staff!

  • 100% employee owned

    We take pride in how we talk to our customers.

  • Over 15,000 parts

    We have an impressive catalog to fit your need.

  • Build to order

    We offer trucks for your specific needs.

  • Friendly staff

    Our staff is happy to help you find what you need.

Fits Series:

M1078 LMTV 2.5 Ton 4X4

M1083 FMTV 5 Ton 6X6

M35A3 2.5 Ton 6X6

Locations: Cylinder Block, Oil Cooler,

Oil Filter Housing