Skip to main content

Have questions? Ask our friendly staff!

  • 100% employee owned

    We take pride in how we talk to our customers.

  • Over 15,000 parts

    We have an impressive catalog to fit your need.

  • Build to order

    We offer trucks for your specific needs.

  • Friendly staff

    Our staff is happy to help you find what you need.

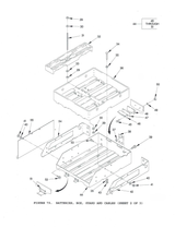
(12420089-002) Battery Box Latch

(No reviews yet) Write a Review

Log in for pricing

SKU:
2540-01-460-2403
Diagram:
Item 51 In Diagram
SKU:
2540-01-460-2403
Diagram:
Item 51 In Diagram

Have questions? Ask our friendly staff!

  • 100% employee owned

    We take pride in how we talk to our customers.

  • Over 15,000 parts

    We have an impressive catalog to fit your need.

  • Build to order

    We offer trucks for your specific needs.

  • Friendly staff

    Our staff is happy to help you find what you need.

Fits Series:

FMTV 5 Ton 6X6

LMTV 2.5 Ton 4X4